

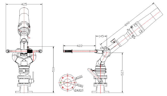
Le camion de pompiers Howo TX 4x2 de 7,5 m³ à mousse utilise le châssis Howo TX avec un empattement de 4 700 mm. Il est équipé d'un moteur Weichai WP4.6NQ240E62 et d'une boîte de vitesses Sinotruk HW95508STCL. La partie avant de la superstructure abrite un coffre de rangement pour le matériel auxiliaire de lutte contre l'incendie. La partie centrale comprend une citerne à eau de 5,5 m³ en acier au carbone et une citerne à mousse de 2 m³ en acier inoxydable. La salle des pompes arrière est équipée d'une pompe à incendie CB10/40-LC(BS), d'un panneau de commande, de matériel de lutte contre l'incendie, d'un canon à eau PL8/32 sur le toit de la citerne et de deux regards d'homme conformes aux normes européennes.
Châssis de camion:
HOWO TX, 4x2Capacité de travail:
5500L water +2000L foamPuissance du moteur:
240 HP/ WP4.6NQ240E62Pompe à incendie:
China CB10/40-LC(BS)Débit de la pompe:
40L/sPression de travail:
1.0 MpaLance à incendie:
China PL8/32Surveiller le débit:
32 L/sGamme de moniteurs:
Water≥60 m,Foam≥48mLe Véhicule de protection incendie Howo modèle 6 roues Il s'agit d'un camion de pompiers de combat principal de taille moyenne, entièrement fonctionnel, alliant grande mobilité, importantes réserves d'agent extincteur et capacités de combat diversifiées. Côté motorisation, il est équipé d'un moteur Weichai couplé à une transmission Sinotruk, offrant une puissance élevée et une transmission efficace.
La superstructure est agencée de façon scientifique, avec un compartiment avant pour le rangement ordonné du matériel de lutte contre l'incendie ; les réservoirs d'eau et de mousse centraux ont des capacités adaptées à différentes situations d'incendie ; et la salle des pompes arrière est entièrement équipée du matériel essentiel pour une utilisation aisée. Le canon à eau installé sur le toit du réservoir permet une extinction à distance et précise, efficace contre les incendies de classe A et B.
» I. Caractéristiques principales :
★ Moteur puissant de 240 ch, 100 000 km sans problème.
★ Nouvelle cabine HOWO TX, design européen
★ Essieu de technologie Man, extrêmement adapté à l'AFRIQUE.
» II.Paramètre du produit :
|
Camion de pompiers à mousse HOWO TX 4x2 |
|||
|
Général |
capacité de travail |
Réservoir d'eau de 5500 L, réservoir de mousse de 2000 L |
|
|
Châssis de camion |
HOWO TX240 |
||
|
Puissance du moteur |
240 CV / WP4.6NQ240E62 |
||
|
pompe à incendie |
CB10/40-LC(BS) |
||
|
Châssis |
Type de lecteur |
4X2 |
|
|
Transmission |
SINOTRUK HW95508STCL 8 vitesses, manuelle |
||
|
Empattement |
4700 mm |
||
|
Pneu |
Pneu 295/80R22.5 18PR, 6+1 roues |
||
|
pompe à incendie |
Modèle |
CB10/40-LC(BS) |
|
|
Pression |
1 MPa |
||
|
Pression de service maximale |
1,380 MPa |
||
|
Pression d'entrée maximale admissible |
0,4 MPa |
||
|
Flux |
40 L/s |
||
|
Hauteur d'aspiration maximale |
7 m |
||
|
vitesse nominale |
3300 tr/min |
||
|
Rapport de vitesse |
1:1.542 |
||
|
Mélangeur doseur eau-mousse |
Modèle |
PH64-RS |
|
|
Rapport de mélange |
6% |
||
|
Plage de pression de travail |
0,6 ~ 1,4 MPa |
||
|
Plage de débit |
16 ~ 64 L/s |
||
|
catégories de liquides moussants appropriés |
Catégorie B |
||
|
Moniteur d'incendie |
Modèle |
PL8/32 |
|
|
Couler |
32 L/s |
||
|
Pression de service nominale |
0,8 MPa |
||
|
Gamme |
Eau |
≥ 6 0 m |
|
|
Mousse |
≥ 48 m |
||
|
Rotation du tangage |
- 45 ~ +70° |
||
|
Rotation horizontale |
0 ~ 360° |
||
|
Alarme électronique |
Alarme électronique |
LY CJB-100-C24 / 1,2 m de long |
|
|
Configuration standard |
Accessoires standard inclus : tuyau d’incendie, filtre, raccord, clé, pistolet à eau/mousse, trousse à outils de base, manuel en anglais… |
||
Système de réservoir de liquide central :
* Réservoir d'eau : d'un volume de 5,5 mètres cubes, en acier au carbone avec traitement anticorrosion interne, destiné à contenir l'eau d'extinction d'incendie.
* Réservoir à mousse : d'un volume de 2 mètres cubes, fabriqué en acier inoxydable plus résistant à la corrosion, utilisé pour contenir l'agent extincteur à mousse.
* Capacité totale en liquide : 7,5 mètres cubes au total (eau et solution moussante), permettant des opérations de lutte contre les incendies à la mousse indépendantes ou combinées.
» III. Système de pompe à incendie :
|
Modèle de pompe à incendie |
Pression |
Pression de service maximale |
Flux |
Rapport de vitesse |
|
CB10/40-LC(BS) |
1,0 MPa |
1,380 MPa |
40 L/s |
1:1.542 |
Panneau de commande intégré : La conception du panneau est intuitive et intègre :
• Guide illustré : Indique clairement les procédures de fonctionnement du circuit d’eau, les précautions à prendre et le schéma de principe de fonctionnement de la pompe à incendie.
• Instruments de surveillance : Inclut des manomètres, des vacuomètres, des indicateurs de niveau de mousse, des indicateurs de niveau d'eau, des tachymètres, etc., affichant l'état de fonctionnement du système en temps réel.
• Boutons de commande : Interrupteurs de commande situés au centre pour l’interrupteur d’alimentation principal, la pompe à vide, l’affichage du niveau, l’éclairage du boîtier d’équipement, etc.
» III. Système de surveillance incendie :
| Modèle de moniteur d'incendie | Couler | Gamme | Pression nominale | Rotation du tangage | Rotation horizontale | Poids |
| PL8/32 | 32 L/s |
eau ≥60m, mousse ≥48m |
0,80 MPa |
-45
°
~+70
°
|
0~360 ° | 23 kg |
» IV . Conception technique :
Département R&D de POWERSTAR pour la conception :
Apparence 100 % personnalisable, conception de la capacité du réservoir d'eau et de mousse, du coffre de rangement pour les outils de lutte contre l'incendie, et dimensions complètes du camion personnalisables. .
» VI Test avant expédition :
Avant de livrer le camion de pompiers à mousse HOWO 4X2 7500L de notre usine, nous avons effectué une inspection en usine du camion de pompiers, qui comprenait des tests de pluie, des tests de performance de la pompe à incendie et du canon à incendie, ainsi qu'une inspection finale du processus de soudage, de la peinture et d'autres aspects.
» VII. Applications :